Il arrive parfois que des personnes 'bien intentionnées' proposent à la vente du matériel en panne à prix décent, merci Théo.
Au delà de la 'mode vintage' qui fait grimper le prix des anciens matériels parfois au prix du neuf de l'époque, comme le Juno 60, d'autres matériels de la même époque ne conservent pas la même côte d'amour. Je laisserai de côté le débat numérique/analogique. Sur le site Audiofanzine, cette Yamaha REV5 est donnée pour un prix inférieur à 150€ d'occasion, entendu en état de fonctionnement.
A titre d'exemple, voici le graphe d'évolution du prix d'un JUNO 60 ces 10 dernières années :
|  | 
| https://fr.audiofanzine.com/synthe-analogique/roland/JUNO-60/a.argus.html | 
Globalement, un prix multiplié par 3 en neuf ans pour en arriver à peu près au prix de vente de 
US$1795 en 1982. Le tout sans aucune garantie, évidemment, et surtout sans plus aucune source d'approvisionnement des composants en cas de problème. Il existe heureusement sur la planète (merci à la mondialisation heureuse) des personnes en mesure de re-fabriquer des composants identiques, ou compatibles.
J'ai donc acquis cette REV5 à prix très modique avec, comme indication de panne, plus aucune sortie de l'effet. La sortie du signal direct fonctionnant, quant à elle, très bien. Cette machine possédait donc la partie effet en panne.
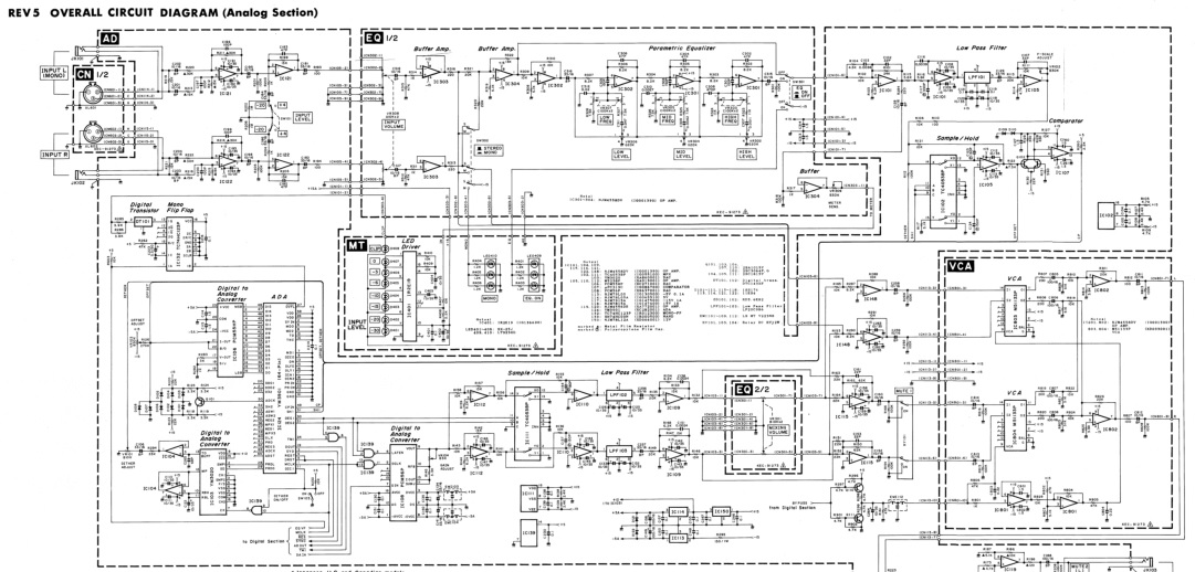
Un effet numérique, ça n'est pas bien compliqué en théorie. Cela commence toujours par une conversion du signal audio analogique en numérique, puis exploitation des signaux numérique par un DSP fournissant les différents effets, puis, retour dans le monde analogique grâce à un convertisseur audio numérique vers audio analogique. Quand un effet ne fonctionne plus, c'est une de ces trois parties qui pose problème. Inutile de préciser qu'il vaut mieux que ce ne soit pas la partie DSP car équipée de composants Yamaha très spécifiques. On retrouve fort heureusement le schéma de principe de cette machine sur le NET :

 
Je fais un raccourci et n'expose que la partie intéressante de cette électronique. Hormis la partie DSP de cette REV5, le gros travail de la conversion est effectué par le circuit intégré IC124 de marque Yamaha et estampillé YM3901 : pas très rassurant de prime abord. Si ce composant est planté, il faudra en retrouver un et le remplacer. C'est du cms donc pas très aisé à dessouder.
Le rôle de ce YM3901 est très simple : il échantillonne le signal audio analogique en entrée et fourni les signaux numériques correspondant à la carte DSP. Il fournit aussi les signaux d'horloge au convertisseur de sortie, celui qui reconverti les signaux audio numériques en signaux audio analogiques, travail effectué par un PCM56P référence IC108. Le signal de donnée de ce PCM56P arrive directement de la carte DSP. Pour en revenir au gros circuit YM3901, le chef d'orchestre du traitement numérique/analogique, celui-ci s'occupe aussi du réglage automatique de l'offset ainsi que de la génération volontaire de bruit, dans le but de l'éliminer plus facilement par la suite, voir l'article Wikipédia sur la technique du 
Dither.
Le premier travail a donc consisté à sonder à l'oscilloscope les signaux de ce circuit YM3901. Tout semblait bien se passer, donc puisque l'effet ne fonctionne pas, partons de la fin du processus et regardons ce qui se passe à la sortie du convertisseur audio numérique vers analogique : rien! C'est un bon début. Les signaux de contrôle arrivent pourtant bien à ce circuit. Alors? son alimentation de -5V est à -3,2V. IC113, un simple régulateur -5V de type 79L05 serait en cause? Dessoudage puis test :
Voilà ce que donne ce régulateur négatif de 5V simplement alimenté. Il suffit de regarder ce qui se passe sur l'alimentation de laboratoire pour confirmer le diagnostic :
Alimenté en -12V, le régulateur consomme les 300mA programmés sur l'alimentation avec comme corollaire une chute de tension de plus de 10V de la tension d'entrée : le circuit est en court-circuit!
Remplacement du régulateur sur le circuit imprimé de cette REV5 et nouveaux tests : pas mieux.
A ce stade, cela devient carrément embêtant. Un régulateur neuf donne le même résultat que l'ancien, une fois la machine mise sous tension. Forcément, cela ne se passe pas bien derrière. Un composant dysfonctionne, mais lequel? Une capture d'écran à la caméra thermique dès l'ouverture de la machine ne m'avait pas permis d'identifier un point chaud suspect. Et c'est logique!
Petite astuce : le régulateur devant fournir le -5 V est alimenté en -12V. Pour évacuer la chaleur dégagée par la chute de tension, et comme le boîtier de ce régulateur n'est pas fait pour chauffer, et bien les ingénieurs de Yamaha ont placé une résistance de puissance juste devant le régulateur négatif. Et c'est elle qui chauffe, c'est une 150Ohms de 1W notée R295, en gros boitier, prévu pour évacuer une certaine chaleur. A l'aide de la caméra thermique, j'avais bien vu que cette résistance était légèrement chaude, mais pas de façon excessive, et après tout, elle est prévu pour cela!
Que faire maintenant? Le plus simple, enlever du circuit imprimé le composant le moins compliqué à dessouder et relié au -5V : Le convertisseur PCM56P justement. Il est au format DIP16 donc en principe facilement dessoudable. La belle erreur!!! Non seulement les pattes de ce PCM56P ressemblent à du Chamallow, mais le circuit imprimé, bien qu'en verre époxy se comporte comme du papier phénolique. Il me semble que je n'ai jamais effectué le retrait d'un simple circuit comme ce PCM dans de telles conditions. Le résultat : des pistes coupées et même des pastilles du circuit intégré décollées, bien qu'en double face à trous métallisés. Pour moi c'est du jamais vu!
J'étais à deux doigts de me résigner à confier cette machine aux bons soins de la benne à déchets électroniques... Mais au dernier moment, j'ai décidé de tenter quand même le coup, sachant que cela allait me demander un certain temps de bricolage. J'ai donc placé un support de circuits intégré :
Et y ai placé un PCM56P tout neuf. Il y a quelques années de cela, je m'étais amusé à contrôler plusieurs exemplaire de ce circuit à l'aide de FPGA. J'avais donc conservé une petite poignée de ces PCM :
Une chance parce que je ne sais pas ou j'aurais pu trouver ce type de circuits aujourd'hui. Internet est une bonne source de recherche, mais l'on tombe souvent sur de faux composants vendus par des personnes absolument pas scrupuleuses!
Voici à quoi ressemble la machine, une fois l'opération effectuée :
On y aperçoit le PCM56P juste au centre de l'image.
Et bien évidemment, il m'a fallu refaire les pistes coupées, et palier l'absence de pastilles sur certaines pattes du support de circuit :
En fait, cela ne m'a pas pris autant de temps que je me l'imaginais. Une petite heure de travail en tout et le circuit était correctement relié aux différentes pistes. Et cette fois, le test de la tension négative au multimètre me donnait bien -5V.
Je suis passé rapidement aux tests audio pour valider le bon fonctionnement de l'effet. Ce qui a été confirmé dès le raccordement de la machine à une source analogique. Restait cependant quelques petits soucis à régler comme ce problème d'affichage :
Ça recommence!!! Après le même type de problème sur le 
MKS30, me voilà de nouveau avec un potentiel problème d'afficheur à remplacer. Heureusement, après vérification de la petite carte support de cet afficheur, et quelques tests de diode au multimètre, il est vite apparu que c'était un problème de VIA corrodé qui générait le problème :
J'ai déjà rencontré ce genre de problème lors du dépannage d'un lecteur 
CD de marque Cyrus, mais sur ce lecteur c'était compréhensible étant donné le liquide noirâtre potentiellement corrosif que j'avais retrouvé sous le composant. Ici, rien de tout cela. Je n'ai vraiment aucune explication. Bref, me voilà à de nouveau faire de la couture de fil électrique :
Dépannage facile, au résultat attendu :
Avec le commentaire facile qui va avec : c'est mieux comme cela!
Me voilà arrivé au bout de la remise en état de cette REV5. Il ne reste plus qu'à remonter le boîtier tout en remplaçant les quelques vis abimées présentes deci-delà dans la machine, preuve qu'elle a déjà été démontée à plusieurs reprises :
J'en ai aussi profité pour dépoussiérer l'intérieur et nettoyer la face avant, une fois retirée.
Le remontage final nous donne ceci :
Conclusion : je ne sais pas si cette machine à un son 'vintage', mais toujours est-il qu'elle sonne vraiment bien. Qu'elle est facile d'accès et finalement plutôt robuste étant donné son âge, les stigmates du boitier, signe de quantité de déplacements, et la présence de circuits imprimés en papier phénoliques.
Il serait peut-être bon que je me décide à m'équiper d'un fer à air chaud pour déssouder de façon plus adéquate les circuits intégrés.
Je pourrais aussi peut-être m'équiper d'une petite caméra pour réaliser des vidéos avec le son, parce que la photo, ça n'est pas très parlant pour se faire une idée du fonctionnement, ou pas, d'un matériel audio!